elecena.pl

0.1-1.1A adj. ILIMIT, 1.8-5.25V, 80mΩ USB power switch + 5.1V 1.1A boost converter & 0.2A 3.3V LDO

Texas Instruments

0.1-1.1A adj. ILIMIT, 1.8-5.25V, 80mΩ USB power switch + 5.1V 1.1A boost converter & 0.2A 3.3V LDO RSS Sample
  • Darmowa próbka
MPN:
TPS2505
Producent:
TEXAS INSTRUMENTS
Dodany do bazy:
Ostatnio widziany:

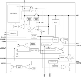
The TPS2505 device provides an integrated solution to meet USB 5-V power requirements from a 1.8-V to 5.25-V input supply. The features include a 5.1-V, 1100-mA boost converter, a 200-mA, 3.3-V LDO linear regulator and dual USB 2.0 compliant power outputs with independent output switch enable, current limit, and overcurrent fault reporting.

The 1.8-V to 5.25-V input can be supplied by sources including DC-DC regulated supplies (for example, 3.3 V), or batteries such as single cell Li+, two-cell or three-cell NiCd, NiMH or alkaline.

The output trip current for the dual USB switches can be programmed through external resistors from as low as 100 mA to as high as 1100 mA.

An auxiliary 5.1-V output is provided, where the total current supplied by the USB outputs and the auxiliary by cannot exceed 1100 mA.

Elecena nie prowadzi sprzedaży elementów elektronicznych, ani w niej nie pośredniczy.

Produkt pochodzi z oferty sklepu