5.3-V, 0.3-A, 0.64-mΩ, load switch
Texas Instruments
RSS
Sample
- Darmowa próbka
- MPN:
- LM34902
- Producent:
- TEXAS INSTRUMENTS
- Dodany do bazy:
- Ostatnio widziany:
Sugerowane produkty dla lm34902
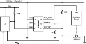
The LM34902 is a 0.3A PFET switch used to control the input voltage of electronic devices. It is easily integrated into system designs that have a 2.8V to 5.3V voltage rail. Besides the 0.45Ω PFET switch, the LM34902 can be enabled or disabled by a logic signal. The IC monitors the presence of a downstream electronic device via a dedicated pin to decide whether to turn on the PFET switch. A power good signal generated by the IC can be used by system control to determine the status of the switch. The LM34902 also provides over-current and over-temperature protection. The IC comes in a tiny 6-bump Thin DSBGA package.
Elecena nie prowadzi sprzedaży elementów elektronicznych, ani w niej nie pośredniczy.
Produkt pochodzi z oferty sklepu Texas Instruments