elecena.pl

SMBus 2-4 cell Buck battery charge controller with integrated FETs

Texas Instruments

SMBus 2-4 cell Buck battery charge controller with integrated FETs RSS Sample
  • Darmowa próbka
MPN:
BQ24765
Producent:
TEXAS INSTRUMENTS
Dodany do bazy:
Ostatnio widziany:

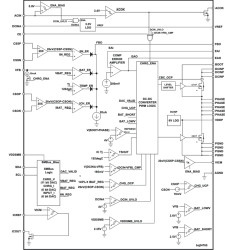
The bq24765 is a high-efficiency, synchronous battery charger with two integrated 30-mΩ NMOS power MOSFETs, and an integrated input current comparator, offering low component count for space-constraint, multi-chemistry battery charging applications. Input current, charge current, and charge voltage DACs allow for very high regulation accuracies that can be easily programmed by the system power management micro-controller using SMBus. The bq24765 has switching frequency of 700 kHz. The bq24765 charges 2, 3, or 4 series Li+ cells, and is available in a 34-pin, 3.50 mm × 7.00 mm VQFN package.

The bq24765 features Dynamic Power Management (DPM) and input power limiting. These features reduce battery charge current when the input power limit is reached to avoid overloading the AC adaptor when supplying the load and the battery charger simultaneously. A high-accuracy current sense amplifier enables accurate measurement of input current from the AC adapter, allowing monitoring the overall system power. If the adapter current is above the programmed low-power threshold, a signal is sent to host so that the system optimizes its power performance according to what is available from the adapter. An integrated comparator allows monitoring the input current through the current sense amplifier, and indicating when the input current exceeds a programmable threshold limit. The bq24765 features a thermal regulation loop to reduce battery charge current when the Tj limit is reached. This feature protects internal power FETs from overheating when charging with high current.

Elecena nie prowadzi sprzedaży elementów elektronicznych, ani w niej nie pośredniczy.

Produkt pochodzi z oferty sklepu