elecena.pl

Host controlled 2-4 cell Buck battery charge controller with low Iq and system power selector

Texas Instruments

Host controlled 2-4 cell Buck battery charge controller with low Iq and system power selector RSS Sample
  • Darmowa próbka
MPN:
BQ24753A
Producent:
TEXAS INSTRUMENTS
Dodany do bazy:
Ostatnio widziany:

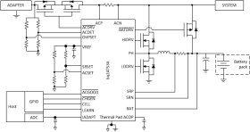
The bq24753A is a high-efficiency, synchronous battery charger with integrated compensation and system power selector logic, offering low component count for space-constrained Li-Ion and Li-Polymer battery charging applications. Ratiometric charge current and voltage programming allows for high regulation accuracies, and can be either hardwired with resistors or programmed by the system power-management microcontroller using a DAC or GPIOs.

The bq24753A charges two, three, or four series Li+ cells, supporting up to 10 A of charge current, and is available in a 28-pin, 5x5-mm thin VQFN package.

The bq24753A controls external switches to prevent battery discharge back to the input, connect the adapter to the system, and to connect the battery to the system using 6-V gate drives for better system efficiency. For maximum system safety, inrush-power limiting provides instantaneous response to high input voltage multiplied by current. This AC Overpower protection (ACOP) feature limits the input-switch power to the programmed level on the ACOP pin, and latches off if the high-power condition persists to prevent overheating.

The bq24753A features Dynamic Power Management (DPM) and input power limiting. These features reduce battery charge current when the input power limit is reached to avoid overloading the AC adapter when supplying the load and the battery charger simultaneously. A highly-accurate current-sense amplifier enables precise measurement of input current from the AC adapter to monitor the overall system power.

Elecena nie prowadzi sprzedaży elementów elektronicznych, ani w niej nie pośredniczy.

Produkt pochodzi z oferty sklepu