Standalone 1-cell 0.75-A linear battery charger, Temp Sensing, power Good and 10.5V OVP
Texas Instruments
RSS
Sample
- Darmowa próbka
- MPN:
- BQ24088
- Producent:
- TEXAS INSTRUMENTS
- Dodany do bazy:
- Ostatnio widziany:
Sugerowane produkty dla bq2408x
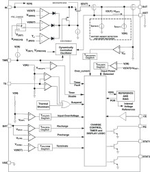
The bq2408x series are highly integrated Li-Ion and Li-Pol linear chargers, targeted at space-limited portable applications. The bq2408x series offers a variety of protection features and functional options, while still implementing a complete charging system in a small package. The battery is charged in three phases: conditioning, constant or thermally regulated current, and constant voltage. Charge is terminated based on minimum current. An internal programmable charge timer provides a backup protection feature for charge termination and is dynamically adjusted during the thermal regulation phase. The bq2408x automatically restarts the charge if the battery voltage falls below an internal threshold; sleep mode is set when the external input supply is removed. Multiple versions of this device family enable easy design of the bq2408x in cradle chargers or in the end equipment, while using low cost or high-end AC adapters.
Elecena nie prowadzi sprzedaży elementów elektronicznych, ani w niej nie pośredniczy.
Produkt pochodzi z oferty sklepu Texas Instruments