elecena.pl

2-series, 3-series, and 4-series Li-ion battery pack manager

Texas Instruments

2-series, 3-series, and 4-series Li-ion battery pack manager RSS Sample
  • Darmowa próbka
MPN:
BQ3055
Producent:
TEXAS INSTRUMENTS
Dodany do bazy:
Ostatnio widziany:

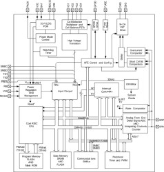
The bq3055 device is a fully integrated, single-chip, pack-based solution that provides a rich array of features for gas gauging, protection, and authentication for 2-series, 3-series, and 4-series cell Li-Ion and Li-Polymer battery packs.

Using its integrated high-performance analog peripherals, the bq3055 device measures and maintains an accurate record of available capacity, voltage, current, temperature, and other critical parameters in Li-Ion or Li-Polymer batteries, and reports this information to the system host controller over an SMBus v1.1 compatible interface.

The bq3055 provides software-based 1st-level and 2nd-level safety protection for overvoltage, undervoltage, overtemperature, and overcharge conditions, as well as hardware-based protection for overcurrent in discharge and short circuit in charge and discharge conditions.

SHA-1 authentication with secure memory for authentication keys enables identification of genuine battery packs beyond any doubt.

The compact 30-lead TSSOP package minimizes solution cost and size for smart batteries while providing maximum functionality and safety for battery gauging applications.

Elecena nie prowadzi sprzedaży elementów elektronicznych, ani w niej nie pośredniczy.

Produkt pochodzi z oferty sklepu