Two, Three and Four Cell Lithium or Lithium-Polymer Battery Protection AFE
Texas Instruments
RSS
Sample
- Darmowa próbka
- MPN:
- BQ29330
- Producent:
- TEXAS INSTRUMENTS
- Dodany do bazy:
- Ostatnio widziany:
Sugerowane produkty dla bq29330
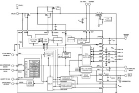
The bq29330 is a 2-series, 3-series, and 4-series cell lithium-ion battery pack full-protection analog front end (AFE) IC that incorporates a 2.5-V, 16-mA and 3.3-V, 25-mA low dropout regulator (LDO). The bq29330 also integrates an I2C-compatible interface to extract battery parameters such as battery voltage, individual cell voltages, and control output status. Other parameters such as current protection thresholds and delays can also be programmed into the bq29330 to increase the flexibility of the battery management system.
The bq29330 provides safety protection for overload, short circuit in charge, and short circuit in discharge conditions and can also provide cell overvoltage, battery overvoltage and battery undervoltage protection with the battery management host. In overload, short circuit in charge and short circuit in discharge conditions, the bq29330 turns off the FET drive autonomously, depending on the internal configuration setting. The communications interface allows the host to observe and control the status of the bq29330, enable cell balancing, enter different power modes, set current protection levels, and set the blanking delay times.
Cell balancing of each cell can be performed via a cell bypass path integrated into the bq29330, which can be enabled via the internal control register accessible via the I2C-compatible interface. The maximum bypass current is set via an external series resistor and internal FET on resistance (typ. 400 Ω).
Elecena nie prowadzi sprzedaży elementów elektronicznych, ani w niej nie pośredniczy.
Produkt pochodzi z oferty sklepu Texas Instruments