elecena.pl

High efficiency charge pump for 7 WLEDs with I2C interface with 0x77 I2C slave address

Texas Instruments

High efficiency charge pump for 7 WLEDs with I2C interface with 0x77 I2C slave address RSS Sample
  • Darmowa próbka
MPN:
TPS60250
Producent:
TEXAS INSTRUMENTS
Dodany do bazy:
Ostatnio widziany:

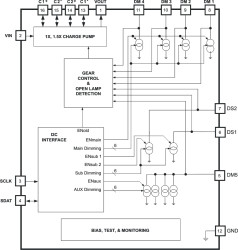
The TPS60250/2 are high efficiency, constant frequency charge pump DC/DC converters that use dual mode 1× and 1.5× conversions to maximize efficiency over the input voltage range. The devices drive up to five white LEDs for the main display and up to two white LEDs for the sub display with regulated constant current for uniform intensity. By utilizing adaptive 1×/1.5× charge pump modes and very low-dropout current regulators, the TPS60250/2 achieve high efficiency over the full 1-cell lithium-battery input voltage range.

Four enable inputs, ENmain, ENsub1, ENsub2, and ENaux, available through the I2C, are used for simple on/off controls for the independent main, sub1, sub2, and DM5 displays, respectively. To lower the operating current when using one sub display LED, the devices provide completely separate operation for the sub display LEDs.

The TPS60250/2 are available in a 16-pin 3mm x 3mm thin QFN.

Elecena nie prowadzi sprzedaży elementów elektronicznych, ani w niej nie pośredniczy.

Produkt pochodzi z oferty sklepu