elecena.pl

Automotive Grade 4.5-35V, Hysteretic Non-Synchronous PFET Buck Controller

Texas Instruments

Automotive Grade 4.5-35V, Hysteretic Non-Synchronous PFET Buck Controller RSS Sample
  • Darmowa próbka
MPN:
LM3485-Q1
Producent:
TEXAS INSTRUMENTS
Dodany do bazy:
Ostatnio widziany:

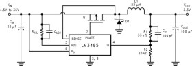
The LM3485 is a high-efficiency PFET switching regulator controller that can be used to quickly and easily develop a small, low-cost, switching buck regulator for a wide range of applications. The hysteretic control architecture provides for simple design without any control-loop stability concerns using a wide variety of external components. The PFET architecture also allows for low component count as well as ultralow dropout, 100% duty cycle operation. Another benefit is high efficiency operation at light loads without an increase in output ripple.

Current limit protection is provided by measuring the voltage across the RDS(ON) of the PFET, thus eliminating the need for a sense resistor. The cycle-by-cycle current limit can be adjusted with a single resistor, ensuring safe operation over a range of output currents.

Elecena nie prowadzi sprzedaży elementów elektronicznych, ani w niej nie pośredniczy.

Produkt pochodzi z oferty sklepu