elecena.pl

Stackable 2 Channel Multiphase or 2 Channel Independent Output Controller

Texas Instruments

Stackable 2 Channel Multiphase or 2 Channel Independent Output Controller RSS Sample
  • Darmowa próbka
MPN:
TPS40140
Producent:
TEXAS INSTRUMENTS
Dodany do bazy:
Ostatnio widziany:

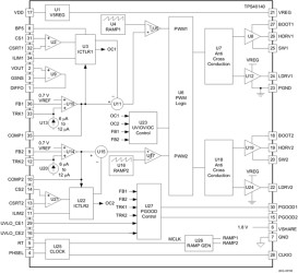
The TPS40140 is a multifunctional synchronous buck controller that can be configured to provide either a single-output 2-phase power supply or a power supply that supports two independent outputs. Several TPS40140 controllers can be stacked up to a 16-phase single output power supply. Alternatively, several controllers providing multiple independent outputs can be synchronized in an interleaving pattern for improved input ripple current.

The TPS40140 can convert from a 15-V input to a 0.7-V output at 1 MHz.

Each phase operates at a switching frequency of up to 1 MHz. The two phases in one device operate 180° out-of-phase. In a multiple-device stackable configuration, the phase shift of the slaves, relative to a master, is programmable.

Elecena nie prowadzi sprzedaży elementów elektronicznych, ani w niej nie pośredniczy.

Produkt pochodzi z oferty sklepu