elecena.pl

3-V to 20-V, 30-A, synchronous buck controller with PMBus™, including Telemetry

Texas Instruments

3-V to 20-V, 30-A, synchronous buck controller with PMBus™, including Telemetry RSS Sample
  • Darmowa próbka
MPN:
TPS40400
Producent:
TEXAS INSTRUMENTS
Dodany do bazy:
Ostatnio widziany:

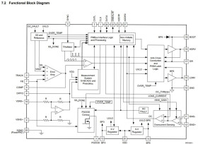
The TPS40400 is a cost-optimized flexible synchronous buck controller that operates from a nominal 3-V to 20-V supply. This controller is an analog PWM controller that allows programming and monitoring through the PMBus™ interface. Flexible features found on this device include programmable soft-start time, programmable short circuit limit, and programmable undervoltage lockout (UVLO).

An adaptive anti-cross conduction scheme is used to prevent shoot through current in the power FETs. Gate drive voltage is 6 V to better enhance the power FETs for reduced losses. Short circuit detection occurs by sensing the voltage drop across the inductor or across a resistor placed in series with the inductor. A PMBus programmable threshold is compared to this voltage and is used to detect overcurrent. When the overcurrent threshold is reached, a pulse by pulse current limit scheme is used to limit the current to acceptable levels. If the overcurrent condition persists for more than 7 clock cycles of the converter, a fault condition is declared and the converter shuts down and goes into either a hiccup restart mode or latches off. The behavior can be selected through the PMBus interface. Other PMBus interface features include programmable operating frequency, soft-start time, overvoltage and undervoltage thresholds and the response to those events, output voltage change including margining as well as status monitoring.

Elecena nie prowadzi sprzedaży elementów elektronicznych, ani w niej nie pośredniczy.

Produkt pochodzi z oferty sklepu