elecena.pl

3-V to 28-V, dual-synchronous buck controller for low output voltage rails

Texas Instruments

3-V to 28-V, dual-synchronous buck controller for low output voltage rails RSS Sample
  • Darmowa próbka
MPN:
TPS51124
Producent:
TEXAS INSTRUMENTS
Dodany do bazy:
Ostatnio widziany:

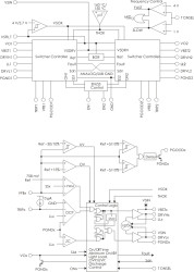
The TPS51124 is a dual, adaptive on-time D-CAP™ mode synchronous buck controller. The part enables system designers to cost effectively complete the suite of notebook power bus regulators with the absolute lowest external component count and lowest standby consumption. The fixed frequency emulated adaptive on-time control supports seamless operation between PWM mode at heavy load condition and reduced frequency operation at light load for high efficiency down to milliampere range. The main control loop for the TPS51124 uses the D-CAP mode that optimized for low ESR output capacitors such as POSCAP or SP-CAP promises fast transient response with no external compensation. Simple and separate power good signals for each channel allow flexibility of power sequencing. The part provides a convenient and efficient operation with supply input voltages (V5IN, V5FILT) ranging from 4.5 V to 5.5 V, conversion voltages (drain voltage for the synchronous high-side MOSFET) from 3 V to 28 V and output voltages from 0.76 V to 5.5 V.

The TPS51124 is available in 24-pin VQFN package specified from –40°C to 85°C ambient temperature range.

Elecena nie prowadzi sprzedaży elementów elektronicznych, ani w niej nie pośredniczy.

Produkt pochodzi z oferty sklepu