Step Down Converter with Bypass Mode for Ultra Low Power Wireless Applications
Texas Instruments
RSS
Sample
- Darmowa próbka
- MPN:
- TPS62733
- Producent:
- TEXAS INSTRUMENTS
- Dodany do bazy:
- Ostatnio widziany:
Sugerowane produkty dla cc430
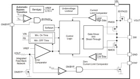
The TPS62730 is a high frequency synchronous step-down DC-DC converter optimized for ultra low-power wireless applications. The device is optimized to supply TIs Low-Power Wireless sub 1-GHz and 2.4-GHz RF transceivers and System-On-Chip (SoC) solutions. The TPS62730 reduces the current consumption drawn from the battery during TX and RX mode by a high efficient step-down voltage conversion. The device provides an output current of up to 100 mA and allows the use of tiny and low-cost chip inductors and capacitors. With an input voltage range of 1.9 V to 3.9 V, the device supports Li-primary battery chemistries such as Li-SOCl2, Li-SO2, Li-MnO2, and also two cell alkaline batteries.
The TPS62730 features an Ultra Low-Power bypass mode with typical 30-nA current consumption to support sleep and low power modes of TIs CC2540 Bluetooth Low Energy and CC430 SoC solutions. In this bypass mode, the output capacitor of the DC-DC converter is connected through an integrated typical 2.1-Ω bypass switch to the battery.
In DC-DC operation mode the device provides a fixed output voltage to the system. With a switch frequency up to 3 MHz, the TPS62730 features low output ripple voltage and low noise even with a small 2.2-µF output capacitor. The automatic transition into bypass mode during DC-DC operation prevents an increase of output ripple voltage and noise once the DC-DC converter operates close to 100% duty cycle. The device automatically enters bypass mode once the battery voltage falls below the transition threshold VIT BYP . The TPS62730 is available in a 1 × 1.5-mm2 6-pin USON package.
Elecena nie prowadzi sprzedaży elementów elektronicznych, ani w niej nie pośredniczy.
Produkt pochodzi z oferty sklepu Texas Instruments