Automotive 2V to 6V, 2.25MHz Fixed Frequency 600mA Buck Converter in 2x2mm SON/TSOT23 Package
Texas Instruments
RSS
Sample
- Darmowa próbka
- MPN:
- TPS62260-Q1
- Producent:
- TEXAS INSTRUMENTS
- Dodany do bazy:
- Ostatnio widziany:
Sugerowane produkty dla tps6226x
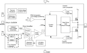
The TPS6226x devices are high-efficiency synchronous step-down dc-dc converters optimized for battery powered applications. It provides up to 600-mA output current from a single Li-Ion cell and is ideal to power mobile phones and other portable applications.
With an wide input voltage range of 2 V to 6 V, the device supports applications powered by Li-Ion batteries with extended voltage range, two and three cell alkaline batteries, 3.3-V and 5-V input voltage rails.
The TPS6226x operates at 2.25-MHz fixed switching frequency and enters Power Save Mode operation at light load currents to maintain high efficiency over the entire load current range.
The Power Save Mode is optimized for low output voltage ripple. For low noise applications, the device can be forced into fixed frequency PWM mode by pulling the MODE pin high. In the shutdown mode, the current consumption is reduced to less than 1 µA. TPS6226x allows the use of small inductors and capacitors to achieve a small solution size.
The TPS6226x is available in a very small 2×2mm 6-pin SON package.
Elecena nie prowadzi sprzedaży elementów elektronicznych, ani w niej nie pośredniczy.
Produkt pochodzi z oferty sklepu Texas Instruments