1.5-V to 22-V, 14-A synchronous buck converter with eco-mode
Texas Instruments
RSS
Sample
- Darmowa próbka
- MPN:
- TPS53319
- Producent:
- TEXAS INSTRUMENTS
- Dodany do bazy:
- Ostatnio widziany:
Sugerowane produkty dla tps548a28
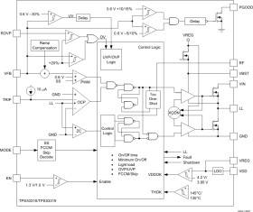
The TPS53318 and TPS53319 devices are D-CAP mode, 8A or 14A, synchronous switchers with integrated MOSFETs. These devices are designed for ease of use, low external component count, and space-conscious power systems.
These devices feature accurate 1%, 0.6V reference, and integrated boost switch. A sample of competitive features include: 1.5V to 22V wide conversion input voltage range, very low external component count, D-CAP integrated circuit mode control for super fast transient, auto-skip mode operation, internal soft-start control, selectable frequency, and no need for compensation.
The conversion input voltage ranges from 1.5V to 22V, the supply voltage range is from 4.5V to 25V, and the output voltage range is from 0.6V to 5.5V.
These devices are available in 5mm × 6mm, 22-pin QFN package and is specified from –40°C to 85°C.
The TPS548A28 and TPS548A29 are newer 15A devices designed for data center applications in a smaller, fully lead-free package.
Elecena nie prowadzi sprzedaży elementów elektronicznych, ani w niej nie pośredniczy.
Produkt pochodzi z oferty sklepu Texas Instruments