4.5 V to 18 V input, dual 2 A output, synchronous step-down converter, with adjustable soft start
Texas Instruments
RSS
Sample
- Darmowa próbka
- MPN:
- TPS54295
- Producent:
- TEXAS INSTRUMENTS
- Dodany do bazy:
- Ostatnio widziany:
Sugerowane produkty dla tps54295
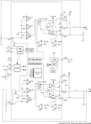
The TPS54295 is a dual, adaptive on-time D-CAP2 mode synchronous buck converter. The TPS54295 enables system designers to complete the suite of various end-equipment power bus regulators with a cost effective, low component count, and low standby current solution. The main control loops of the TPS54295 use the D-CAP2 mode control which provides a very fast transient response with no external compensation components. The adaptive on-time control supports seamless transition between PWM mode at higher load conditions and Eco-mode operation at light loads. Eco-mode allows the TPS54295 to maintain high efficiency during lighter load conditions. The TPS54295 is able to adapt to both low equivalent series resistance (ESR) output capacitors such as POSCAP or SP-CAP, and ultra-low ESR ceramic capacitors. The device provides convenient and efficient operation with input voltages from 4.5 V to 18 V.
The TPS54295 is available in a 4.4 mm × 5 mm 16-pin HTSSOP (PWP) package and 4 mm × 4 mm 16-pin VQFN (RSA) package, designed to operate at an ambient temperature range from –40°C to 85°C.
Elecena nie prowadzi sprzedaży elementów elektronicznych, ani w niej nie pośredniczy.
Produkt pochodzi z oferty sklepu Texas Instruments