elecena.pl

3MHz, 2A Step-Down Converter in 2x2 SON Package

Texas Instruments

3MHz, 2A Step-Down Converter in 2x2 SON Package RSS Sample
  • Darmowa próbka
MPN:
TPS62065
Producent:
TEXAS INSTRUMENTS
Dodany do bazy:
Ostatnio widziany:

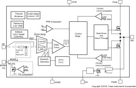
The TPS6206x is a family of highly efficient synchronous step down DC/DC converters. They provide up to 2-A output current.

With an input voltage range of 2.9 V to 6 V, the device is a perfect fit for power conversion from a 5-V or 3.3-V system supply rail. The TPS6206x operates at 3-MHz fixed frequency and enters power save mode operation at light load currents to maintain high efficiency over the entire load current range. The power save mode is optimized for low output voltage ripple. For low noise applications, TPS62065 can be forced into fixed frequency PWM mode by pulling the MODE pin high. TPS62067 provides an open drain power good output.

In the shutdown mode, the current consumption is reduced to less than 1 µA and an internal circuit discharges the output capacitor.

TPS6206x family is optimized for operation with a tiny 1 µH inductor and a small 10-µF output capacitor to achieve smallest solution size and high regulation performance.

It is available in a small 2-mm × 2-mm × 0.75-mm 8-pin WSON package.

Elecena nie prowadzi sprzedaży elementów elektronicznych, ani w niej nie pośredniczy.

Produkt pochodzi z oferty sklepu