elecena.pl

4.5 V to 18 V input, 1.2 MHz, 1.5 / 2.5 A dual synchronous step-down converter

Texas Instruments

4.5 V to 18 V input, 1.2 MHz, 1.5 / 2.5 A dual synchronous step-down converter RSS Sample
  • Darmowa próbka
MPN:
TPS54292
Producent:
TEXAS INSTRUMENTS
Dodany do bazy:
Ostatnio widziany:

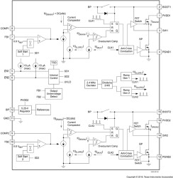
The TPS54290, TPS54291, and TPS54292 devices are dual-output, fully synchronous buck converters capable of supporting applications with a minimal number of external components. It operates from a 4.5-V to 18-V input supply voltage, and supports output voltages as low as 0.8 V and as high as 90% of the input voltage.

Both high-side and low-side MOSFETs are integrated to provide fully synchronous conversion with higher efficiency. Channel 1 can provide up to 1.5 A of continuous current. Meanwhile, Channel 2 supports up to 2.5 A.

Current mode control simplifies the compensation. The external compensation adds flexibility for the user to choose different type of output capacitors.

180° out-of-phase operation reduces the ripple current through the input capacitor, providing the benefit of reducing input capacitance, alleviating EMI and increasing capacitor life.

Elecena nie prowadzi sprzedaży elementów elektronicznych, ani w niej nie pośredniczy.

Produkt pochodzi z oferty sklepu