elecena.pl

2.25MHz 1A Step-Down Converter in 2x2mm SON Package

Texas Instruments

2.25MHz 1A Step-Down Converter in 2x2mm SON Package RSS Sample
  • Darmowa próbka
MPN:
TPS62290
Producent:
TEXAS INSTRUMENTS
Dodany do bazy:
Ostatnio widziany:

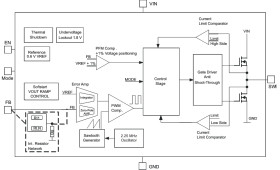
The TPS6229x devices are highly efficient synchronous step down DC/DC converters optimized for battery powered portable applications. They provide up to 1000-mA output current from a single Li-ion cell.

With an input voltage range of 2.3 V to 6.0 V, the devices support batteries with extended voltage range and are ideal to power portable applications like mobile phones and other portable equipment.

The TPS6229x devices operate at 2.25-MHz fixed switching frequency and enter power save mode operation at light load currents to maintain high efficiency over the entire load current range.

The power save mode is optimized for low output voltage ripple. For low noise applications, the devices can be forced into fixed frequency pulse width modulation (PWM) mode by pulling the MODE pin high. In the shutdown mode, the current consumption is reduced to less than 1 µA. The TPS6229x devices allow the use of small inductors and capacitors to achieve a small solution size.

The TPS6229x devices operate over a free air temperature range of –40°C to 85°C. The devices are available in a 2-mm × 2-mm 6-pin WSON package (DRV).

Elecena nie prowadzi sprzedaży elementów elektronicznych, ani w niej nie pośredniczy.

Produkt pochodzi z oferty sklepu