elecena.pl

5.5V to 36V Input, 5A, 500kHz Step Down Converter

Texas Instruments

5.5V to 36V Input, 5A, 500kHz Step Down Converter RSS Sample
  • Darmowa próbka
MPN:
TPS5450
Producent:
TEXAS INSTRUMENTS
Dodany do bazy:
Ostatnio widziany:

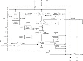
The TPS5450 is a high-output-current PWM converter that integrates a low-resistance, high-side N-channel MOSFET. Included on the substrate with the listed features are a high-performance voltage error amplifier that provides tight voltage regulation accuracy under transient conditions; an undervoltage-lockout circuit to prevent start-up until the input voltage reaches 5.5 V; an internally set slow-start circuit to limit inrush currents; and a voltage feed-forward circuit to improve the transient response. Using the ENA pin, shutdown supply current is reduced to 18 µA typically. Other features include an active-high enable, overcurrent limiting, overvoltage protection and thermal shutdown. To reduce design complexity and external component count, the TPS5450 feedback loop is internally compensated.

The TPS5450 device is available in a thermally-enhanced, 8-pin SOIC PowerPAD package. TI provides evaluation modules and software tool to aid in achieving high-performance power supply designs to meet aggressive equipment development cycles.

Elecena nie prowadzi sprzedaży elementów elektronicznych, ani w niej nie pośredniczy.

Produkt pochodzi z oferty sklepu