elecena.pl

Multi-Channel 1-cell Li-Ion Power PMIC USB/AC Charger, 2DC/DC, 2 LDOs, I2C interface in QFN-48

Texas Instruments

Multi-Channel 1-cell Li-Ion Power PMIC USB/AC Charger, 2DC/DC, 2 LDOs, I2C interface in QFN-48 RSS Sample
  • Darmowa próbka
MPN:
TPS65011
Producent:
TEXAS INSTRUMENTS
Dodany do bazy:
Ostatnio widziany:

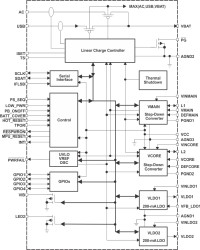
The TPS65011 device is an integrated power and battery management IC for applications powered by one Li-Ion or Li-Polymer cell and which require multiple power rails. The TPS65011 provides two highly efficient, 1.25-MHz step-down converters targeted at providing the core voltage and peripheral, I/O rails in a processor-based system. Both step-down converters enter a low-power mode at light load for maximum efficiency across the widest possible range of load currents.

The TPS65011 also integrates two 200-mA LDO voltage regulators, which are enabled via the serial interface. Each LDO operates with an input voltage range between 1.8 V and 6.5 V, allowing them to be supplied from one of the step-down converters or directly from the battery.

The TPS65011 also has a highly integrated and flexible Li-Ion linear charger and system power management. It offers integrated USB-port and AC-adapter supply management with autonomous power-source selection, power FET and current sensor, high accuracy current and voltage regulation, charge status, and charge termination.

Elecena nie prowadzi sprzedaży elementów elektronicznych, ani w niej nie pośredniczy.

Produkt pochodzi z oferty sklepu