1.8-V Output, 600-mA, 95% Efficient Step-Down Converter in MSOP-10
Texas Instruments
RSS
Sample
Przejdź do sklepu »
- Darmowa próbka
- MPN:
- TPS62005
- Producent:
- TEXAS INSTRUMENTS
- Dodany do bazy:
- Ostatnio widziany:
Sugerowane produkty dla of1
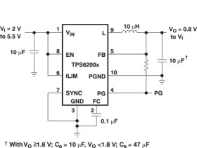
The TPS6200x devices are a family of low-noise synchronous step-down DC/DC converters that are ideally suited for systems powered from a 1-cell Li-ion battery or from a 2- to 3-cell NiCd, NiMH, or alkaline battery. The TPS6200x operates typically down to an input voltage of 1.8 V, with a specified minimum input voltage of 2 V.
The TPS62000 operates over a free-air temperature range of –40°C to 85°C.The device is available in the 10-pin (DGS) microsmall outline package (VSSOP).
Elecena nie prowadzi sprzedaży elementów elektronicznych, ani w niej nie pośredniczy.
Produkt pochodzi z oferty sklepu Texas Instruments