elecena.pl

Automotive 3.5V to 42V, 1.5A Buck Converter with Eco-Mode™

Texas Instruments

Automotive 3.5V to 42V, 1.5A Buck Converter with Eco-Mode™ RSS Sample
  • Darmowa próbka
MPN:
TPS57140-Q1
Producent:
TEXAS INSTRUMENTS
Dodany do bazy:
Ostatnio widziany:

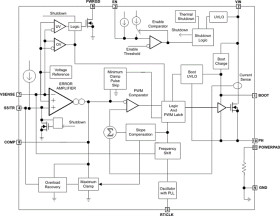
The TPS57140-Q1 device is a 42-V, 1.5-A step-down regulator with an integrated high-side MOSFET. Current-mode control provides simple external compensation and flexible component selection. A low-ripple pulse-skip mode reduces the no-load, regulated output supply current to 116 μA. When the enable pin is in the low state, the shutdown current is reduced to 1.5 µA.

Undervoltage lockout is internally set at 2.5 V, but can be increased using the enable pin. The output voltage startup ramp is controlled by the slow-start pin that can also be configured for sequencing or tracking. An open-drain power-good signal indicates the output is within 92% to 109% of its nominal voltage.

A wide switching-frequency range allows optimization of efficiency and external component size. Frequency foldback and thermal shutdown protect the part during an overload condition.

The TPS57140-Q1 is available in a 10-pin thermally enhanced MSOP-PowerPAD package (DGQ) and a 10-pin VSON package (DRC).

For all available packages, see the orderable addendum at the end of the data sheet.

Elecena nie prowadzi sprzedaży elementów elektronicznych, ani w niej nie pośredniczy.

Produkt pochodzi z oferty sklepu