elecena.pl

Green phase-shifted full-bridge controller with Synchronous Rectification control

Texas Instruments

Green phase-shifted full-bridge controller with Synchronous Rectification control RSS Sample
  • Darmowa próbka
MPN:
UCC28950
Producent:
TEXAS INSTRUMENTS
Dodany do bazy:
Ostatnio widziany:

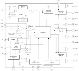
The UCC28951 controller is an enhanced version of the UCC28950. It is a fully compatible drop-in replacement for the UCC28950. The UCC2895x devices use advanced control of the full-bridge in addition to active control of the synchronous rectifier (SR) output stage.

ZVS operation ensured over a wide range of operating conditions, while the load current naturally tunes the switching delays of the secondary-side synchronous rectifiers(SR). This functionality maximizes overall system efficiency.

Easily get started with the UCC2895x 600W phase shifted full bridge design review/application note,

The 24-pin, TSSOP package complies with RoHS requirements.

Elecena nie prowadzi sprzedaży elementów elektronicznych, ani w niej nie pośredniczy.

Produkt pochodzi z oferty sklepu