elecena.pl

General-purpose PWM controller with 10V Turn-on Threshold for LED Lighting

Texas Instruments

General-purpose PWM controller with 10V Turn-on Threshold for LED Lighting RSS Sample
  • Darmowa próbka
MPN:
TPS92001
Producent:
TEXAS INSTRUMENTS
Dodany do bazy:
Ostatnio widziany:

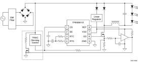
The TPS92001/2 family of general LED lighting PWM controllers contains control and drive circuitry required for off-line isolated or non-isolated LED lighting applications.

The controllers can support Phase Cut TRIAC dimming with minimal external components. The controllers can also be implemented for stage conversion where the power factor (PF) exceeds regulatory requirements for lighting. These controllers also have an accessible 5-V reference that could be used to power a microcontroller or other low power peripheral components. The controllers operate in fixed frequency current mode switching with minimal external parts count. Internally implemented circuits include undervoltage lockout featuring startup current less than 100 µA, logic to ensure latched operation, a PWM comparator, and a totem pole output stage to sink or source peak current. The output stage, suitable for driving N-Channel MOSFETs, is low in the off state. Oscillator frequency and maximum duty cycle are programmed with two resistors and a capacitor.

The TPS92001/2 family also features full cycle soft start. The family offers UVLO thresholds and hysteresis levels for off-line and DC-to-DC systems. The TPS92001/2 is offered in the 8-pin MSOP (DGK) and 8-pin SOIC (D) packages. The small MSOP package makes the device ideally suited for applications where board

Elecena nie prowadzi sprzedaży elementów elektronicznych, ani w niej nie pośredniczy.

Produkt pochodzi z oferty sklepu