Phase-shifted full-bridge controller with enhanced control logic,, -40°C to 85°C
Texas Instruments
RSS
Sample
- Darmowa próbka
- MPN:
- UCC2895
- Producent:
- TEXAS INSTRUMENTS
- Dodany do bazy:
- Ostatnio widziany:
Sugerowane produkty dla uc3879
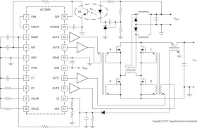
The UCC3895 is a phase-shift PWM controller that implements control of a full-bridge power stage by phase shifting the switching of one half-bridge with respect to the other. The device allows constant frequency pulse-width modulation in conjunction with resonant zero-voltage switching to provide high efficiency at high frequencies. The part is used either as a voltage-mode or current-mode controller.
While the UCC3895 maintains the functionality of the UC3875/6/7/8 family and UC3879, it improves on that controller family with additional features such as enhanced control logic, adaptive delay set, and shutdown capability. Because the device is built using the BCDMOS process, it operates with dramatically less supply current than it’s bipolar counterparts. The UCC3895 operates with a maximum clock frequency of 1 MHz.
Elecena nie prowadzi sprzedaży elementów elektronicznych, ani w niej nie pośredniczy.
Produkt pochodzi z oferty sklepu Texas Instruments