Radiation-hardened QMLV, 20-V input, 2-A dual-output phase shifted full bridge 2-MHz PWM controller
Texas Instruments
RSS
Sample
- Darmowa próbka
- MPN:
- UC1875-SP
- Producent:
- TEXAS INSTRUMENTS
- Dodany do bazy:
- Ostatnio widziany:
Sugerowane produkty dla uc1875
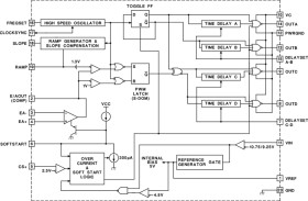
The UC1875-SP implements control of a bridge power stage by phase-shifting the switching of one half-bridge with respect to the other, allowing constant frequency pulse-width modulation in combination with resonant, zero-voltage switching for high efficiency performance at high frequencies. This circuit may be configured to provide control in either voltage or current mode operation, with a separate overcurrent shutdown for fast fault protection.
A programmable time delay is provided to insert a dead-time at the turn-on of each output stage. This delay, providing time to allow the resonant switching action, is independently controllable for each output pair (A-B, C-D).
With the oscillator capable of operation at frequencies in excess of 2 MHz, overall switching frequencies to 1 MHz are practical. In addition to the standard free running mode, with the CLOCKSYNC pin, the user may configure these devices to accept an external clock synchronization signal, or may lock together up to 5 units with the operational frequency determined by the fastest device.
Protective features include an undervoltage lockout which maintains all outputs in an active-low state until the supply reaches a 10.75-V threshold. 1.5 hysteresis is built in for reliable, boot-strapped chip supply. Overcurrent protection is provided, and will latch the outputs in the OFF state within 70 ns of a fault. The current-fault circuitry implements full-cycle restart operation.
Additional features include an error amplifier with bandwidth in excess of 7 MHz, a 5-V reference, provisions for soft-starting, and flexible ramp generation and slope compensation circuitry.
This device is available in hermetically sealed cerdip, surface mount, and ceramic leadless chip carrier packages for 55°C to 125°C operation.
Elecena nie prowadzi sprzedaży elementów elektronicznych, ani w niej nie pośredniczy.
Produkt pochodzi z oferty sklepu Texas Instruments