2.5-A/5-A single-channel gate driver with 8-V UVLO, 35-V VDD, and split outputs
Texas Instruments
RSS
Sample
- Darmowa próbka
- MPN:
- UCC27531
- Producent:
- TEXAS INSTRUMENTS
- Dodany do bazy:
- Ostatnio widziany:
Sugerowane produkty dla ucc2753x
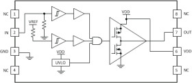
The UCC2753x single-channel, high-speed gate drivers can effectively drive MOSFET and IGBT power switches. Using a design that allows for a source of up to 2.5 A and 5-A sink through asymmetrical drive (split outputs), coupled with the ability to support a negative turn-off bias, rail-to-rail drive capability, extremely small propagation delay (17 ns typical), the UCC2753x devices are ideal solutions for MOSFET and IGBT power switches. The UCC2753x family of devices can also support enable, dual input, and inverting and non-inverting input functionality. The split outputs and strong asymmetrical drive boost the devices immunity against parasitic Miller turn-on effect and can help reduce ground debouncing.
Leaving the input pin open holds the driver output low. The logic behavior of the driver is shown in the application diagram, timing diagram, and input and output logic truth table.
Internal circuitry on VDD pin provides an undervoltage lockout function that holds output low until VDD supply voltage is within operating range.
Elecena nie prowadzi sprzedaży elementów elektronicznych, ani w niej nie pośredniczy.
Produkt pochodzi z oferty sklepu Texas Instruments