elecena.pl

4-A, 120-V half bridge gate driver with 8-V UVLO and TTL inputs

Texas Instruments

4-A, 120-V half bridge gate driver with 8-V UVLO and TTL inputs RSS Sample
  • Darmowa próbka
MPN:
UCC27211
Producent:
TEXAS INSTRUMENTS
Dodany do bazy:
Ostatnio widziany:

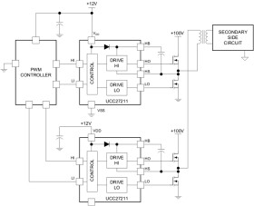
The UCC27211 driver is based on the popular UCC27201 MOSFET drivers, but offer several significant performance improvements. Peak output pull-up and pull-down current has been increased to 3.7A source and 4.5A sink, thereby allowing for driving large power MOSFETs with minimized switching losses during the transition through the Miller Plateau of the MOSFET. The input structure is now able to directly handle –10VDC, which increases robustness and also allows direct interface to gate-drive transformers without using rectification diodes. The inputs are also independent of supply voltage and have a maximum rating of 20V.

The switching node (HS pin) can handle –(24 – VDD) V maximum which allows the high-side channel to be protected from inherent negative voltages caused parasitic inductance and stray capacitance. UCC27211 (TTL inputs) has increased input hysteresis allowing for interface to analog or digital PWM controllers with enhanced noise immunity.

The low-side and high-side gate drivers are independently controlled and matched to 4ns between the turnon and turnoff of each other. An on-chip 120V rated bootstrap diode eliminates the external discrete diodes.

Undervoltage lockout is provided for both the high-side and the low-side drivers providing symmetric turnon and turnoff behavior and forcing the outputs low if the drive voltage is below the specified threshold.

Elecena nie prowadzi sprzedaży elementów elektronicznych, ani w niej nie pośredniczy.

Produkt pochodzi z oferty sklepu