7.6-A/4.5-A single channel gate driver with 4-V UVLO and complementary pilot output
Texas Instruments
RSS
Sample
- Darmowa próbka
- MPN:
- LM5134
- Producent:
- TEXAS INSTRUMENTS
- Dodany do bazy:
- Ostatnio widziany:
Sugerowane produkty dla lm5134
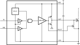
The LM5134 is a high-speed single low-side driver capable of sinking and sourcing 7.6-A and 4.5-A peak currents. The LM5134 has inverting and noninverting inputs that give the user greater flexibility in controlling the FET. The LM5134 features one main output, OUT, and an extra gate drive output, PILOT. The PILOT pin logic is complementary to the OUT pin, and can be used to drive a small MOSFET located close to the main power FET. This configuration minimizes the turnoff loop and reduces the consequent parasitic inductance. It is particularly useful for driving high-speed FETs or multiple FETs in parallel. The LM5134 is available in the 6-pin SOT-23 package and the 6-pin WSON package with an exposed pad to aid thermal dissipation.
Elecena nie prowadzi sprzedaży elementów elektronicznych, ani w niej nie pośredniczy.
Produkt pochodzi z oferty sklepu Texas Instruments