elecena.pl

16-ch constant current LED driver with 7-bit global brightness, power-Save, and self-diagnostics

Texas Instruments

16-ch constant current LED driver with 7-bit global brightness, power-Save, and self-diagnostics RSS Sample
  • Darmowa próbka
MPN:
TLC5929
Producent:
TEXAS INSTRUMENTS
Dodany do bazy:
Ostatnio widziany:

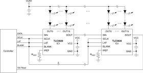
The TLC5929 is a 16-channel constant current sink LED driver. Each channel can be turned on or off by writing data to an internal register. The constant current value of all 16 channels is set by a single external resistor with 128 steps for the global brightness control (BC).

The TLC5929 has six error flags: LED open detection (LOD), LED short detection (LSD), output leakage detection (OLD), reference current terminal short detection (ISF), pre-thermal warning (PTW) and thermal error flag (TEF). In addition, the LOD and LSD functions have invisible detection mode (IDM) that can detect those errors even when the output is off. The error detection results can be read via a serial interface port.

The TLC5929 also has a power-save mode that sets the total current consumption to 10 µA (typ) when all outputs are off.

Elecena nie prowadzi sprzedaży elementów elektronicznych, ani w niej nie pośredniczy.

Produkt pochodzi z oferty sklepu