elecena.pl

WLED driver for notebooks with PWM interface and programmable PWM dimming

Texas Instruments

WLED driver for notebooks with PWM interface and programmable PWM dimming RSS Sample
  • Darmowa próbka
MPN:
TPS61183
Producent:
TEXAS INSTRUMENTS
Dodany do bazy:
Ostatnio widziany:

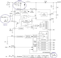
The TPS61183 device provides a highly integrated white-LED (WLED) driver solution for notebook LCD backlights. This device has a built-in high-efficiency boost regulator with integrated 2-A, 40-V power MOSFET. The six current sink regulators provide high-precision current regulation and matching. The device can support a total of up to 60 WLEDs. In addition, the boost output automatically adjusts its voltage to the WLED forward voltage to optimize efficiency.

The TPS61183 supports the programmable brightness dimming method. In this configuration, the dimming duty cycle of the WLED current is controlled by the input PWM signal but the dimming frequency is fixed and set by an external resistor. During direct PWM dimming, the WLED current completely synchronized with the input PWM signal's duty cycle and frequency.

For all available packages, see the orderable addendum at the end of the data sheet.

Elecena nie prowadzi sprzedaży elementów elektronicznych, ani w niej nie pośredniczy.

Produkt pochodzi z oferty sklepu