elecena.pl

16-channel, 12-bit PWM LED driver with 6-bit dot correction

Texas Instruments

16-channel, 12-bit PWM LED driver with 6-bit dot correction RSS Sample
  • Darmowa próbka
MPN:
TLC5946
Producent:
TEXAS INSTRUMENTS
Dodany do bazy:
Ostatnio widziany:

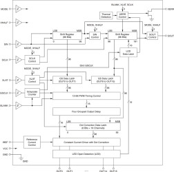
The TLC5946 is a 16-channel, constant current sink LED driver. Each channel is individually adjustable with 4096 pulse-width modulated (PWM) steps and 64 constant current sink steps for dot correction. The dot correction adjusts the brightness variations between LEDs. Both grayscale control and dot correction are accessible via a serial interface. The maximum current value of all 16 channels can be set by a single external resistor.

The TLC5946 has two error information circuits: one for LED open detection (LOD), and a thermal error flag (TEF). LOD detects a broken or disconnected LED during display period. TEF indicates an over-temperature condition.

Elecena nie prowadzi sprzedaży elementów elektronicznych, ani w niej nie pośredniczy.

Produkt pochodzi z oferty sklepu