elecena.pl

5-Channel Level Shifter for LCD Displays (Dual Channel Scan Driver)

Texas Instruments

5-Channel Level Shifter for LCD Displays (Dual Channel Scan Driver) RSS Sample
  • Darmowa próbka
MPN:
TPS65193
Producent:
TEXAS INSTRUMENTS
Dodany do bazy:
Ostatnio widziany:

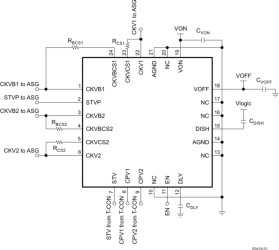
The TPS65193 is dual high-voltage scan driver to drive an amorphous-silicon-gate (ASG) circuit on TFT glass. Each single high-voltage scan driver receives logic-level inputs of CPVx and generates two high-voltage outputs of CKVx and CKVBx. The device receives a logic-level input of STV and generates a high-voltage output of STVP. These outputs are swings from Voff (–28 V) to Von (35 V) and are used to drive the ASG circuit and charge/discharge the capacitive loads of the TFT LCD. In order to reduce the power dissipation of the device, a charge-share function is implemented. The device features a discharge function, which shorts Voff to GND in order to shut down the panel faster when the LCD is turned off.

Elecena nie prowadzi sprzedaży elementów elektronicznych, ani w niej nie pośredniczy.

Produkt pochodzi z oferty sklepu