elecena.pl

4-CH LCD Bias w/ Fully Int. Pos. Charge Pump, 3.3V LDO Contr., 1.6A Min. Boost Ilim & Fault Detect

Texas Instruments

4-CH LCD Bias w/ Fully Int. Pos. Charge Pump, 3.3V LDO Contr., 1.6A Min. Boost Ilim & Fault Detect RSS Sample
  • Darmowa próbka
MPN:
TPS65140
Producent:
TEXAS INSTRUMENTS
Dodany do bazy:
Ostatnio widziany:

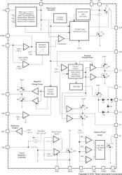
The TPS6514x series offers a compact and small power supply solution to provide all three voltages required by thin film transistor (TFT) LCD displays. The auxiliary linear regulator controller can be used to generate a 3.3-V logic power rail for systems powered by a 5-V supply rail only.

The main output VO1 is a 1.6-MHz fixed frequency PWM boost converter providing the source drive voltage for the LCD display. The device is available in two versions with different internal switch current limits to allow the use of a smaller external inductor when lower output power is required. The TPS65140 and TPS65141 has a typical switch current limit of 2.3 A and the TPS65145 has a typical switch current limit of 1.37 A. A fully integrated adjustable charge pump doubler or tripler provides the positive LCD gate drive voltage. An externally adjustable negative charge pump provides the negative gate drive voltage. Due to the high 1.6-MHz switching frequency of the charge pumps, inexpensive and small 220-nF capacitors can be used.

Additionally, the TPS6514x series has a system power good output to indicate when all supply rails are acceptable. For LCD panels powered by 5 V the device has a linear regulator controller using an external transistor to provide a regulated 3.3-V output for the digital circuits. For maximum safety, the TPS65140 and TPS65145 goes into shutdown as soon as one of the outputs is out of regulation. The device can be enabled again by toggling the input or the enable (EN) pin to GND. The TPS65141 does not enter shutdown when one of its outputs is below its power good threshold.

Elecena nie prowadzi sprzedaży elementów elektronicznych, ani w niej nie pośredniczy.

Produkt pochodzi z oferty sklepu