Voltage Reference Diode
Texas Instruments
RSS
Sample
- Darmowa próbka
- MPN:
- LM136-2.5-N
- Producent:
- TEXAS INSTRUMENTS
- Dodany do bazy:
- Ostatnio widziany:
Sugerowane produkty dla lm1362
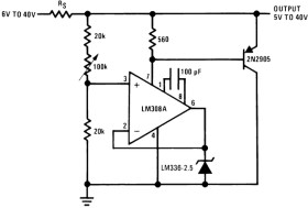
The LM136-2.5-N/LM236-2.5-N and LM336-2.5-N integrated circuits are precision 2.5V shunt regulator diodes. These monolithic IC voltage references operate as a low-temperature-coefficient 2.5V zener with 0.2Ω dynamic impedance. A third terminal on the LM136-2.5-N allows the reference voltage and temperature coefficient to be trimmed easily.
The LM136-2.5-N series is useful as a precision 2.5V low voltage reference for digital voltmeters, power supplies or op amp circuitry. The 2.5V make it convenient to obtain a stable reference from 5V logic supplies. Further, since the LM136-2.5-N operates as a shunt regulator, it can be used as either a positive or negative voltage reference.
The LM136-2.5-N is rated for operation over −55°C to +125°C while the LM236-2.5-N is rated over a −25°C to +85°C temperature range.
The LM336-2.5-N is rated for operation over a 0°C to +70°C temperature range. See the connection diagrams for available packages.
Elecena nie prowadzi sprzedaży elementów elektronicznych, ani w niej nie pośredniczy.
Produkt pochodzi z oferty sklepu Texas Instruments