elecena.pl

16/32 Bit RISC Flash MCU, Arm Cortex-R4, Auto Q-100

Texas Instruments

16/32 Bit RISC Flash MCU, Arm Cortex-R4, Auto Q-100 RSS Sample
  • Darmowa próbka
MPN:
TMS570LS0332
Producent:
TEXAS INSTRUMENTS
Dodany do bazy:
Ostatnio widziany:

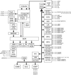
The TMS570LS0432/0332 device is a high-performance automotive-grade microcontroller for safety systems. The safety architecture includes dual CPUs in lockstep, CPU and Memory BIST logic, ECC on both the flash and the data SRAM, parity on peripheral memories, and loopback capability on peripheral I/Os.

The TMS570LS0432/0332 device integrates the ARM Cortex-R4 CPU. The CPU offers an efficient 1.66DMIPS/MHz, and has configurations that can run up to 80 MHz, providing up to 132 DMIPS. The device supports the big-endian (BE32) format.

The TMS570LS0432/0332 device has 384KB and 256KB of integrated flash (respectively) and 32KB of data RAM. Both the flash and RAM have single-bit error correction and double-bit error detection. The flash memory on this device is a nonvolatile, electrically erasable, and programmable memory implemented with a 64-bit-wide data bus interface. The flash operates on a 3.3-V supply input (the same level as I/O supply) for all read, program, and erase operations. When in pipeline mode, the flash operates with a system clock frequency of 80 MHz. The SRAM supports single-cycle read and write accesses in byte, halfword, word, and double-word modes throughout the supported frequency range.

The TMS570LS0432/0332 device features peripherals for real-time control-based applications, including a Next Generation High-End Timer (N2HET) timing coprocessor with up to 19 I/O terminals and a 12-bit Analog-to-Digital Converter (ADC) supporting 16 inputs in the 100-pin package.

The N2HET is an advanced intelligent timer that provides sophisticated timing functions for real-time applications. The timer is software-controlled, using a small instruction set, with a specialized timer micromachine and an attached I/O port. The N2HET can be used for pulse-width-modulated outputs, capture or compare inputs, or GPIO. The N2HET is especially well suited for applications requiring multiple sensor information and drive actuators with complex and accurate time pulses. A High-End Timer Transfer Unit (HTU) can perform DMA-type transactions to transfer N2HET data to or from main memory. A Memory Protection Unit (MPU) is built into the HTU.

The Enhanced Quadrature Encoder Pulse (eQEP) module is used for direct interface with a linear or rotary incremental encoder to get position, direction, and speed information from a rotating machine as used in high-performance motion and position-control systems.

The device has a 12-bit-resolution MibADC with 16 channels and 64 words of parity-protected buffer RAM. The MibADC channels can be converted individually or can be grouped by software for sequential conversion sequences. There are three separate groupings. Each sequence can be converted once when triggered or configured for continuous conversion mode. The MibADC has a 10-bit mode for use when compatibility with older devices or faster conversion time is desired.

The device has multiple communication interfaces: one MibSPI, two SPIs, one UART/LIN, and two DCANs. The SPI provides a convenient method of serial high-speed communications between similar shift-register type devices. The UART/LIN supports the Local Interconnect standard 2.1 and can be used as a UART in full-duplex mode using the standard Non-Return-to-Zero (NRZ) format. The DCAN supports the CAN 2.0 (A and B) protocol standard and uses a serial, multimaster communication protocol that efficiently supports distributed real-time control with robust communication rates of up to 1Mbps. The DCAN is ideal for applications operating in noisy and harsh environments (for example, automotive and industrial applications) that require reliable serial communication or multiplexed wiring.

The Frequency-Modulated Phase-Locked Loop (FMPLL) clock module is used to multiply the external frequency reference to a higher frequency for internal use. The FMPLL provides one of the five possible clock source inputs to the Global Clock Module (GCM). The GCM manages the mapping between the available clock sources and the device clock domains.

The device also has an External Clock Prescaler (ECP) module that when enabled, outputs a continuous external clock on the ECLK pin. The ECLK frequency is a user-programmable ratio of the peripheral interface clock (VCLK) frequency. This low-frequency output can be monitored externally as an indicator of the device operating frequency.

The Error Signaling Module (ESM) monitors all device errors and determines whether an interrupt is generated or the external nERROR pin is toggled when a fault is detected. The nERROR pin can be monitored externally as an indicator of a fault condition in the microcontroller.

The I/O Multiplexing and Control Module (IOMM) allows the configuration of the input/output pins to support alternate functions. See Table 4-17 for a list of the pins that support multiple functions on this device.

With integrated safety features and a wide choice of communication and control peripherals, the TMS570LS0432/0332 device is an ideal solution for real-time control applications with safety-critical requirements.

Elecena nie prowadzi sprzedaży elementów elektronicznych, ani w niej nie pośredniczy.

Produkt pochodzi z oferty sklepu