elecena.pl

9.8 to 12.5-Gbps quad channel retimer with adaptive EQ and CDR

Texas Instruments

9.8 to 12.5-Gbps quad channel retimer with adaptive EQ and CDR RSS Sample
  • Darmowa próbka
MPN:
DS125RT410
Producent:
TEXAS INSTRUMENTS
Dodany do bazy:
Ostatnio widziany:

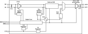
The DS125RT410 is a four-channel retimer with integrated signal conditioning. The device includes a fully adaptive continuous-time linear equalizer (CTLE), clock and data recovery (CDR), and a transmit de-emphasis (DE) driver to enable data transmission over long, lossy and crosstalk-impaired highspeed serial links to achieve BER < 1 × 10–15. For channels with a high amount of crosstalk, the DS125DF410 should be used because it has self calibrating 5-tap decision-feedback equalizer (DFE).

Each channel can independently lock to data rate from 9.8 to 12.5 Gbps, and associated subrates (divide by 2, 4, and 8) to support a variety of communication protocols. A 25-MHz crystal oscillator clock is used to speed up the CDR lock process. This clock is not used for training the PLL and does not need to be synchronous with the serial data.

The programmable settings can be applied using the SMBus (I2C) interface, or they can be loaded through an external EEPROM. An on-chip eye monitor and a PRBS generator allow real-time measurement of high-speed serial data for system bring-up or field tuning.

Elecena nie prowadzi sprzedaży elementów elektronicznych, ani w niej nie pośredniczy.

Produkt pochodzi z oferty sklepu