elecena.pl

2-W, mono, digital & analog input Class-D audio amp with audio processing & mono headphone amplifier

Texas Instruments

2-W, mono, digital & analog input Class-D audio amp with audio processing & mono headphone amplifier RSS Sample
  • Darmowa próbka
MPN:
TAS2505
Producent:
TEXAS INSTRUMENTS
Dodany do bazy:
Ostatnio widziany:

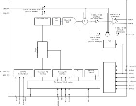
The TAS2505 is a mono Class-D speaker amp that supports both Digital and Analog inputs. The device is designed for automotive instrument cluster, emergency call (eCall), and telematics applications. Direct I2S input removes the need for an external DAC in the audio signal path. In addition to integration, the device features programmable audio processing. The onboard DSP supports bass boost, treble, and EQ (up to 6 biquads). An on-chip PLL provides the high-speed clock needed by the DSP. The volume level is register controlled.

Elecena nie prowadzi sprzedaży elementów elektronicznych, ani w niej nie pośredniczy.

Produkt pochodzi z oferty sklepu