2-W, mono, digital & analog input Class-D audio amp with miniDSP & 18-mW, mono headphone driver
Texas Instruments
RSS
Sample
- Darmowa próbka
- MPN:
- TAS2521
- Producent:
- TEXAS INSTRUMENTS
- Dodany do bazy:
- Ostatnio widziany:
Sugerowane produkty dla tas2521
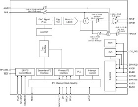
The TAS2521 is a low power digital input speaker amp with support for 24-bit digital I2S data mono playback.
In addition to driving a speaker amp upto 4-Ω, the device also features a mono headphone driver and a fully programmable miniDSP for signal processing. The digital audio data format is programmable to work with popular audio standard protocols (I2S, left/right-justified) in master, slave, DSP and TDM modes. The fully programmable miniDSP can support several functions such equalization for audio, multi-band DRC, tone generation and several other user defined functions. An on-chip PLL provides the high-speed clock needed by the digital signal-processing block. The volume level can be controlled by register control. The audio functions are controlled using the I2C serial bus or SPI bus. The device includes an on-board LDO that runs off the speaker power supply to handle all internal device analog and digital power needs. The included POR as power-on-resetcircuit reliably resets the device into its default state so no external reset is required at normal usage; however, the device does have a reset pin for more complex system initialization needs. The device also includes two analog inputs for mixing and muxing in both speaker and headphone analog paths.
This data manual is designed using PDF document-viewing features that allow quick access to information. For example, performing a global search on "page 0 / register 27" produces all references to this page and register in a list. This makes is easy to traverse the list and find all information related to a page and register. Note that the search string must be of the indicated format. Also, this document includes document hyperlinks to allow the user to quickly find a document reference. To come back to the original page, click the green left arrow near the PDF page number at the bottom of the file. The hot-key for this function is alt-left arrow on the keyboard. Another way to find information quickly is to use the PDF bookmarks.
Elecena nie prowadzi sprzedaży elementów elektronicznych, ani w niej nie pośredniczy.
Produkt pochodzi z oferty sklepu Texas Instruments