elecena.pl

AC-DC quasi-Resonant current mode PWM controller

Texas Instruments

AC-DC quasi-Resonant current mode PWM controller RSS Sample
  • Darmowa próbka
MPN:
LM5023
Producent:
TEXAS INSTRUMENTS
Dodany do bazy:
Ostatnio widziany:

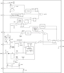
The LM5023 is a quasi-resonant pulse width modulated (PWM) controller which contains all of the features needed to implement a highly efficient off-line power supply. The LM5023 uses the transformer auxiliary winding for demagnetization detection to ensure critical conduction mode (CrCM) operation. The LM5023 features a hiccup mode for overcurrent protection with an auto restart to reduce the stress on the power components during an overload. A skip-cycle mode reduces power consumption at light loads for energy conservation applications (ENERGY STAR®, CEPCP, and so forth). The LM5023 also uses the transformer auxiliary winding for output overvoltage protection (OVP); if an OVP fault is detected the LM5023 latches off the controller.

Elecena nie prowadzi sprzedaży elementów elektronicznych, ani w niej nie pośredniczy.

Produkt pochodzi z oferty sklepu