elecena.pl

6-Gbps 12-channel differential 1-to-2 and 2-to-1 mux for DVI 1.0/ DisplayPort 1.4 /HDMI 2.0

Texas Instruments

6-Gbps 12-channel differential 1-to-2 and 2-to-1 mux for DVI 1.0/ DisplayPort 1.4 /HDMI 2.0 RSS Sample
  • Darmowa próbka
MPN:
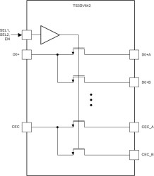
TS3DV642
Producent:
TEXAS INSTRUMENTS
Dodany do bazy:
Ostatnio widziany:

The TS3DV642 is a 12 channel 1:2 or 2:1 bi-directional multiplexer/demultiplexer. The TS3DV642 operates from a 2.6 V to 4.5 V supply, making it suitable for battery-powered applications. It offers low and flat on-state resistance (RON) as well as low I/O capacitance which allows it to achieve a typical bandwidth of up to 7.5 GHz. The device provides the high bandwidth necessary for HDMI and DisplayPort applications.

The TS3DV642 offers a power-down mode, in which all channels become Hi-Z and the device operates with minimal power.

Elecena nie prowadzi sprzedaży elementów elektronicznych, ani w niej nie pośredniczy.

Produkt pochodzi z oferty sklepu