Automotive 3.6V to 36V, 3.2A Buck Converter with Auto-Sourced 280mA LDO Regulator
Texas Instruments
RSS
Sample
- Darmowa próbka
- MPN:
- TPS65320-Q1
- Producent:
- TEXAS INSTRUMENTS
- Dodany do bazy:
- Ostatnio widziany:
Sugerowane produkty dla tps65320
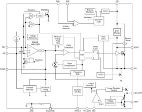
The TPS65320-Q1 device is a combination of a 40-V, 3.2-A, DC-DC step-down converter and a low-dropout (LDO) regulator. The DC-DC step-down converter, referred to as the buck regulator, has an integrated high-side MOSFET. The LDO regulator also has an integrated MOSFET and a low-input supply current of 28-μA (typical) in a no-load condition. Furthermore, the LDO regulator has an active-low, push-pull reset output pin. To reduce heat, the input supply of the LDO regulator can auto-source from the input voltage to the output of the buck regulator. The low-voltage tracking feature can eliminate the need to use a boost converter during cold-crank conditions.
The buck regulator has a switching frequency range from 100 kHz to 2.5 MHz that provides a flexible design to fix system requirements. The external loop compensation allows for optimization of the converter response for the appropriate operating conditions. A low-ripple pulse-skip mode reduces the no-load input supply current to less than 140 μA.
The device has built-in protection features such as soft start, current limit, thermal sensing, and shutdown because of excessive power dissipation. Furthermore, the device has an internal undervoltage-lockout (UVLO) function that turns off the device at a too-low supply voltage.
Elecena nie prowadzi sprzedaży elementów elektronicznych, ani w niej nie pośredniczy.
Produkt pochodzi z oferty sklepu Texas Instruments