elecena.pl

2 Buck Converter with 4.5V to 16V Input Voltage, 2A/3A Output Current

Texas Instruments

2 Buck Converter with 4.5V to 16V Input Voltage, 2A/3A Output Current RSS Sample
  • Darmowa próbka
MPN:
TPS65270
Producent:
TEXAS INSTRUMENTS
Dodany do bazy:
Ostatnio widziany:

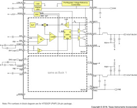
The TPS65270 is a monolithic, dual synchronous buck regulator with a wide operating input voltage that can operate in 5-V, 9-V, 12-V, or 15-V bus voltages and battery chemistries. The converters are designed to simplify its application while giving the designer the option to optimize their usage according to the target application.

The TPS65270 features a precision 0.8-V reference and can produce output voltages up to 15 V. Each converter features an enable pin that allows dedicated control of each channel that provides flexibility for power sequencing. Soft-start time in each channel can be adjusted by choosing different external capacitors. TPS65270 is also able to start up with a prebiased output. The converter begins switching when output voltage reaches the prebiased voltage.

Constant frequency peak current-mode control simplifies the compensation and provides fast transient response. Cycle-by-cycle overcurrent protection and hiccup mode operation limits MOSFET power dissipation in short-circuit or overloading fault conditions. Low-side reverse current protection also prevents excessive sinking current from damaging the converter.

The switching frequency of the converters can be set from 300 KHz to 1.4 MHz with an external resistor. Two converters have 180° out-of-phase clock signals to minimize the input filter requirements and alleviate EMI and input capacitor requirements.

TPS65270 also features a light-load pulse skipping mode (PSM). The PSM mode allows a power loss reduction on the input power supplied to the system at light loading in order to achieve light-load high efficiency.

The TPS65270 is available in a 24-pin, thermally enhanced HTSSOP (PWP) package and 24-pin VQFN (RGE) package.

Elecena nie prowadzi sprzedaży elementów elektronicznych, ani w niej nie pośredniczy.

Produkt pochodzi z oferty sklepu