Power Management IC (PMIC) for Active Shutter 3D Glasses
Texas Instruments
RSS
Sample
Przejdź do sklepu »
- Darmowa próbka
- MPN:
- TPS65735
- Producent:
- TEXAS INSTRUMENTS
- Dodany do bazy:
- Ostatnio widziany:
Sugerowane produkty dla tps65735
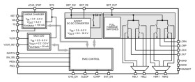
The TPS65735 device is a power management unit (PMU) for active shutter 3D glasses consisting of an integrated power path, linear charger, LDO, boost converter, and full H-bridge analog switches for left and right shutter operation in a pair of active shutter 3D glasses. In addition to the power devices, a typical 3D glasses system contains both a microcontroller and a communications front end (IR, RF, or other) in order to handle the communication and synchronous operation along with a 3D television.
Elecena nie prowadzi sprzedaży elementów elektronicznych, ani w niej nie pośredniczy.
Produkt pochodzi z oferty sklepu Texas Instruments