Qi Compliant 5V Wireless Power Transmitter Manager
Texas Instruments
RSS
Sample
- Darmowa próbka
- MPN:
- BQ500212A
- Producent:
- TEXAS INSTRUMENTS
- Dodany do bazy:
- Ostatnio widziany:
Sugerowane produkty dla bq500212
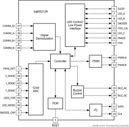
The bq500212A is a Qi-certified value solution that integrates all functions required to control wireless power delivery to a single WPC1.1 compliant receiver. It is WPC1.1 compliant and designed for 5-V systems as a wireless power consortium type A5 or A11 transmitter. The bq500212A pings the surrounding environment for WPC compliant devices to be powered, safely engages the device, receives packet communication from the powered device and manages the power transfer according to WPC1.1 specification. To maximize flexibility in wireless power control applications, Dynamic Power Limiting (DPL) is featured on the bq500212A. Dynamic Power Limiting enhances user experience by seamlessly optimizing the usage of power available from limited input supplies.
The bq500212A supports both foreign object detection (FOD) and enhanced parasitic metal object detection (PMOD) for legacy product by continuously monitoring the efficiency of the established power transfer, protecting from power loss due to metal objects misplaced in the wireless power transfer field. The bq500212A handles any abnormal condition development during power transfer and provides indicator outputs. Comprehensive status and fault monitoring features enable a low cost yet robust, Qi-certified wireless power system design.
The bq500212A is available in a 48-pin, 7-mm × 7-mm VQFN package.
Elecena nie prowadzi sprzedaży elementów elektronicznych, ani w niej nie pośredniczy.
Produkt pochodzi z oferty sklepu Texas Instruments