16-channel, 16-bit PWM LED driver with 6-bit global brightness
Texas Instruments
RSS
Sample
Przejdź do sklepu »
- Darmowa próbka
- MPN:
- TLC59482
- Producent:
- TEXAS INSTRUMENTS
- Dodany do bazy:
- Ostatnio widziany:
Sugerowane produkty dla tlc59482
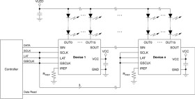
The TLC59482 is a 16-channel, constant-current sink driver. Each channel has an individually-adjustable, pulse width modulation (PWM) grayscale (GS) brightness control with 65,536 steps. All channels have a 64-step global brightness control (BC). BC adjusts brightness deviation with other LED drivers. GS and BC data are accessible via a serial interface port.
Elecena nie prowadzi sprzedaży elementów elektronicznych, ani w niej nie pośredniczy.
Produkt pochodzi z oferty sklepu Texas Instruments