elecena.pl

250mA Dual Outputs AMOLED Display Power Supply

Texas Instruments

250mA Dual Outputs AMOLED Display Power Supply RSS Sample
  • Darmowa próbka
MPN:
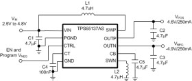
TPS65137AS
Producent:
TEXAS INSTRUMENTS
Dodany do bazy:
Ostatnio widziany:

The TPS65137AS is designed to drive AMOLED displays (Active Matrix Organic Light Emitting Diode) requiring positive and negative voltage supply rails. The device integrates a boost converter with LDO post regulator and an inverting buckboost converter suitable for battery operated products. The digital control pin (CTRL) allows programming the negative output voltage in digital steps. The TPS65137AS uses a novel technology enabling excellent line and load regulation. This is required to avoid disturbance of the AMOLED display by the input voltage disturbances occurring during transmit periods in mobile phones.

Elecena nie prowadzi sprzedaży elementów elektronicznych, ani w niej nie pośredniczy.

Produkt pochodzi z oferty sklepu