elecena.pl

2.5-V to 18-V, 3mΩ, 0.01-12A eFuse with driver for external blocking FET

Texas Instruments

2.5-V to 18-V, 3mΩ, 0.01-12A eFuse with driver for external blocking FET RSS Sample
  • Darmowa próbka
MPN:
TPS24751
Producent:
TEXAS INSTRUMENTS
Dodany do bazy:
Ostatnio widziany:

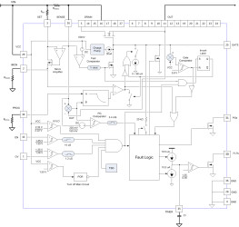
The TPS2475x provide highly integrated load protection for 2.5 V to 18 V applications. The devices integrate a hot swap controller and a power MOSFET in a single package for small form factor applications. These devices protect source, load and internal MOSFET from potentially damaging events. During startup, load current and MOSFET power dissipation are limited to user-selected values. After startup, currents above the user-selected limit will be allowed to flow until programmed timeout – except in extreme overload events when load is immediately disconnected from source.

Programmable FET SOA protection ensures the internal MOSFET operates within its safe operating area (SOA) at all times and the load starts up at a defined ramp rate. This enhances the internal MOSFET performance while improving system reliability. Power good, Fault, and current monitor outputs are provided for system status monitoring and downstream load control.

The devices are available in a 36-pin, 7-mm × 3.5-mm, QFN (RUV) package and fully specified over the –40°C to +125°C operating junction temperature.

Elecena nie prowadzi sprzedaży elementów elektronicznych, ani w niej nie pośredniczy.

Produkt pochodzi z oferty sklepu