elecena.pl

Automotive: 3A, 2.5 to 6V input, up to 97% efficiency, 3x3 QFN, Step-Down Converter

Texas Instruments

Automotive: 3A, 2.5 to 6V input, up to 97% efficiency, 3x3 QFN, Step-Down Converter RSS Sample
  • Darmowa próbka
MPN:
TPS62090-Q1
Producent:
TEXAS INSTRUMENTS
Dodany do bazy:
Ostatnio widziany:

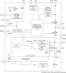
The TPS62090-Q1 devices are a family of high-frequency, synchronous, step-down converters optimized for small design size, high efficiency, and are designed for battery-powered applications. To maximize efficiency, the converters operate in pulse width modulation (PWM) mode with a nominal switching frequency of 2.8MHz to 1.4MHz and automatically enter power save mode operation at light load currents. When used in distributed power supplies and point-of-load regulation, the devices allow voltage tracking to other voltage rails and tolerate output capacitors ranging from 10µF up to 150µF and beyond. Using the DCS-Control topology, the devices achieve excellent load transient performance and accurate output voltage regulation.

The output voltage start-up ramp is controlled by the SS pin, which allows operation as either a standalone power supply or in tracking configurations. Power sequencing is also possible by configuring the enable and power good pins. In power save mode, the devices operate at typically 20µA quiescent current. Power save mode is entered automatically and seamlessly maintaining high efficiency over the entire load current range.

Elecena nie prowadzi sprzedaży elementów elektronicznych, ani w niej nie pośredniczy.

Produkt pochodzi z oferty sklepu